Contest Loading Pin


Welcome to FBBC's family of loading pins. We offer multiple versions to fit your needs. We got everything from the original finger lifting loading pin to specialty loading pins used for contest or special attachments. 


Loading Pin Summary

Contest Loading Pin $60
​Short Bastard Loading Pin $50
Omni Loading Pin $65 
Short Omni Loading Pin $60 

LOADING PIN CHANGES:
LOADING PINS WILL NOT COME WITH CONTEST SIDE HOLES UNLESS SPECIFIED

ALL OMNI LOADING PINS COME WITH HARDWARE KIT: CROSS PIN AND CARABINER

THERE WILL BE A $10 UP CHARGE FOR MAKING LOADING PINS INTO CONTEST LOADING PINS​

SHORT BASTARD LOADING PIN

Loading Pin/Finger Lift

Same features as the full sized loading pin only shorter. Great for hubs and other pinch implements where the extra range of motion can bring on new strength gains. All steel construction with 6" of loading space.

$50


LOADING PINS

Loading Pin/Finger Lift
A evolution of the original  FBBC Double Bastard loading pin. We maintained the all steel construction and the large hook, that can be used for one finger lifts. Comes with 12.5" of loading space.  
Holes have been placed into the side of the loading pin to allow one of the contest cross-guards to be used with the pin to set a lift to height reference. See bottom of page for detailed setup instructions. 

$65

Compatible accessories:
Extra Light Cross guard
Contest Cross guard





CONTEST CROSS GUARD

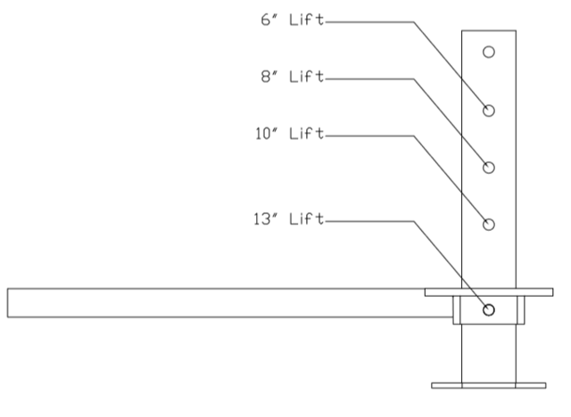
First used in the 2015 International King Kong Grip contest as a way to standardize events and simplify judging. This cross guard when pinned into 1 of 4 locations allows for a 6", 8", 10" and 13" lift to a 16.5"  Height standard used in grip sport.
Change plates can be loaded on top of the crossbar for faster loading at events. 

Contest Cross Guard $65

Compatible with:
Contest Loading Pin
Omni Loading Pin​

Omni Loading Pin
"The Pin that does it all"
Setting up for SJ3 Contest
Photo by Nathaniel Brous


The Omni Loading pin was developed as a solution to mounting both standard carabiner clip grip equipment as well as thread mounted climber pinches. The pin can be used with or without the universal adapter as well as use a contest cross-guard. Check all the pictures to get ideas on how to use this versatile loading pin. 
Tall version has 12.5" loading space and the short has 6" loading space.

Omni Pin $65
Short Omni Pin $60

​FBBC Makes no guarantee that other company's equipment will fit the omni pin. But as of our last test we found the Barrel Strength Flask and Stronger Grip Blob Fit perfect. 

Your innovations have been awesome. Because of your top loading pin...my contest FLEW...with 19 competitors. We finished all three events in under 4 hours. It made things sooooo easy.
~Nathaniel Brous Promoter SJ3

Accesories
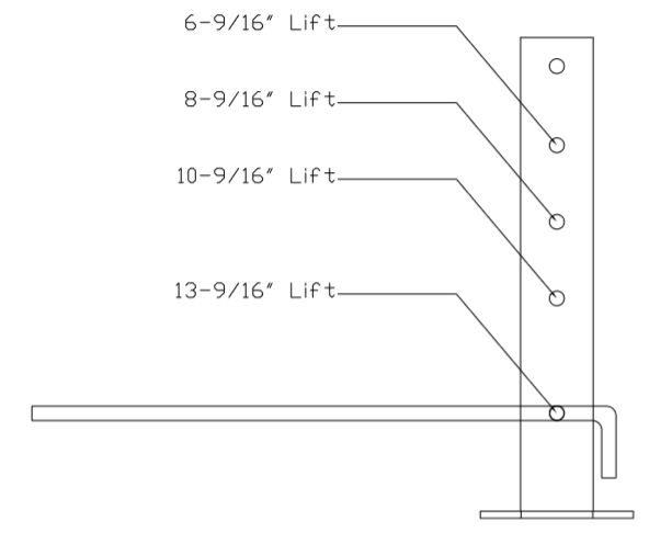
Alternative Cross-guard option that trades durability for light weight.  This cross guard when pinned into 1 of 4 locations allows for 9/16" longer than normal contest range of motion to the 16.5" Grip Sport Height standard.

Extra Light Cross-guard $20

​EXTRA LIGHT CONTEST CROSS GUARD
​UNIVERSAL ADAPTER
Pin as Sold 

Expand your Omni loading pin with a threaded adapter for a rigid mounting surface for Climber Pinches. 

Universal Adapter $65

Compatible with:
Omni Loading Pin​ 
Short Omni Loading Pin


U​niveral Adapter 
Max load testing with 315 in plates..... (Need thinner plates)
All Pin to hole height diagrams assume using a 16.5" Grip Sport height standard that has been a carry over from the Euro Pinch event. If you using a different height standard you will need to measure your setup. 

All Pin to hole height diagrams assume using a 16.5" Grip Sport height standard that has been a carry over from the Euro Pinch event. If you using a different height standard you will need to measure your setup.